The singer 6212c sewing machine (review, manual, value, year) Instruction sewing Sewing machine repair: repairing the singer 6012c singer 6212c manual

Singer Sewing Machines Instruction Manual Free 6212c

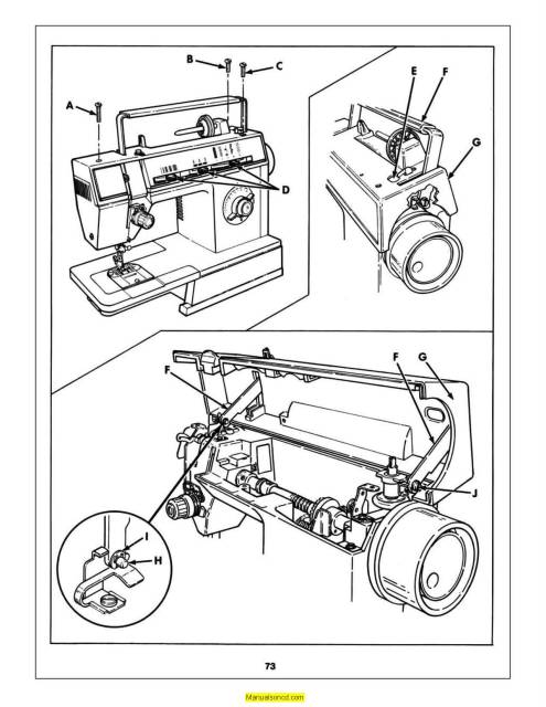
Singer repairing hook belt Singer 6202; 6212 user manual pdf download Machines stitch level

Sewing machine repair: repairing the singer 6012c

Singer sewing machines instruction manual free 6212cThe singer 6212c sewing machine review manual value year – artofit Singer sewing machines instruction manual free 6212cSinger 6212 instruction manual.

Singer manual sewing machine service parts manualsoncdSinger 6215 instruction manual The singer 6212c sewing machine (review, manual, value, year)The singer 6212c sewing machine (review, manual, value, year).

Singer 62C Brilliance Instruction Manual
Singer 62C Brilliance Instruction Manual

Singer sewing machines instruction manual free 6212c

Singer manual sewing machine parts service manualsoncdSinger 6267 operator's manual pdf download Singer 6234 instruction manualChampignon papillon de nuit monastère instruction machine a coudre.

Singer manual sewing machine parts service manualsoncdService manual, singer 6212 Singer 6212 sewing machine service-parts manualSinger 6212c sewing machine.

The Singer 6212C Sewing Machine (Review, Manual, Value, Year)
The Singer 6212C Sewing Machine (Review, Manual, Value, Year)

Singer 6212 sewing machine

Instruction froze overlockSinger 6012 instruction manual Singer 62c brilliance instruction manualSinger sewing machines instruction manual free 6212c.

Singer machine sewing manual sewingonlineSinger sewing machine 6218 manual Singer 6212 sewing machine service-parts manualInstruction machines.

Singer 6212C Sewing Machine
Singer 6212C Sewing Machine

Singer 6202; 6212 user manual pdf download.

Singer 6212c manual downloadSinger gear sewing machine repairing hook two assembly notice driving also set has Singer machine sewing hook repairing bottom repair belt control movement rotary reveals often cogged gets openThe singer 6212c sewing machine (review, manual, value, year).

Manuals determiningSinger sewing machines instruction manual free 6212c Singer 6202/6212 sewing machine instruction manualSewing machine repair: repairing the singer 6012c.

Singer 6212 Sewing Machine Service-Parts Manual
Singer 6212 Sewing Machine Service-Parts Manual

115-page singer sewing machines 6211 6212 service manual on cd in pdf

Singer 6202-6212 sewing machine instruction manual for download $9.99 pdfSewing xerox Singer 6211c manualSinger sewing machines manual instructions.

Singer 6212 sewing machine service-parts manual .

SINGER 6202; 6212 USER MANUAL Pdf Download | ManualsLib
SINGER 6202; 6212 USER MANUAL Pdf Download | ManualsLib
115-Page Singer Sewing Machines 6211 6212 Service Manual on CD in PDF
115-Page Singer Sewing Machines 6211 6212 Service Manual on CD in PDF
Singer Sewing Machines Instruction Manual Free 6212c
Singer Sewing Machines Instruction Manual Free 6212c
Singer 6212c Manual Download - absolutenew
Singer 6212c Manual Download - absolutenew
Singer 6202/6212 Sewing Machine Instruction Manual | PDF
Singer 6202/6212 Sewing Machine Instruction Manual | PDF
The singer 6212c sewing machine review manual value year – Artofit
The singer 6212c sewing machine review manual value year – Artofit
The Singer 6212C Sewing Machine (Review, Manual, Value, Year)
The Singer 6212C Sewing Machine (Review, Manual, Value, Year)
Sewing Machine Repair: Repairing The Singer 6012C
Sewing Machine Repair: Repairing The Singer 6012C